OEM Hermeticky uzavřený konektor SMPM Supplier

Ningbo Hanson Communication Technology Co., Ltd. Domov / Produkty / Hermeticky uzavřená řada / Hermeticky uzavřený konektor SMPM

Hermeticky uzavřený konektor SMPM

Popis:

Utěsněný konektor SMPM (SubMiniature Push-on Micro) je miniaturizovaný RF konektor s úplným únikem, poloúnikem a světelným otvorem, navržený pro vysokofrekvenční, kompaktní prostor a lehké aplikace. Jedná se o nasazovací konektor, běžně používaný v komunikačních a elektronických zařízeních, která vyžadují nízkou hmotnost, vysokou spolehlivost a malé rozměry. Konektory SMPM mají vysokou kvalitu přenosu signálu a mohou poskytovat dobrý elektrický výkon.

Zeptejte se

Základní struktura:
Vzduchem utěsněný RF koaxiální konektor typu SMPM-J se skládá ze tří částí: vnějšího vodiče, skleněného média a vnitřního vodiče, základní struktura je znázorněna na obrázku níže:

Hlavní technické parametry:

Elektrické charakteristiky
Charakteristická impedance 50Ω Frekvenční rozsah DC~40 GHz
Dielektrické Odolné Napětí 500 Vrms Izolační odpor 2000 mil Ω
Napětí VSWR <1.4 Ztráta vložení ≤0,05 √f dB (GHz)
Materiálové a mechanické, environmentální vlastnosti
Kryt Lavable slitina/pozlaceno Piny Lavable slitina/pozlaceno
Izolační médium Sklo Odolnost konektoru Úplný únik 100krát
Míra úniku ≤1,01325×10 Pa ·m³/s optický otvor 1000krát
Provozní teplota -65 ℃ ~ 165 ℃

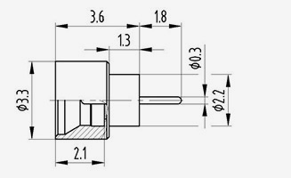
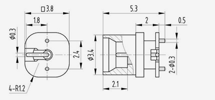
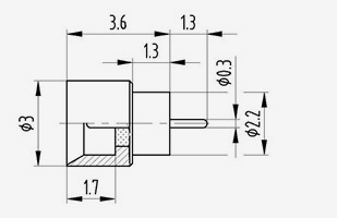
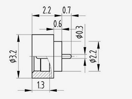
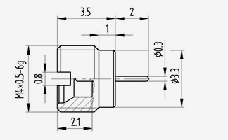
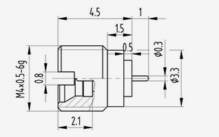
Velikost rozhraní:
Vzduchem utěsněné RF koaxiální konektory typu SMPM-J mají dvě formy rozhraní: plný únik a holý otvor. Při pojmenování modelu F označuje úplný únik a
S znamená světlý otvor. Rozměry rozhraní jsou rozděleny na standardní rozměry rozhraní a krátké rozměry rozhraní, přičemž oba jsou kompatibilní se zástrčkami typu SMPM-K.
Standardní velikost rozhraní:

Krátké rozměry rozhraní:

SMPM SERIES
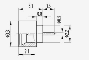
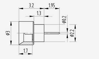
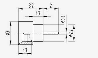
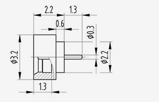
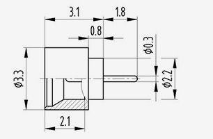
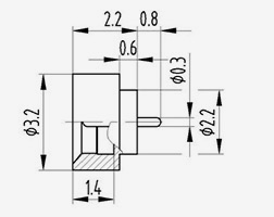
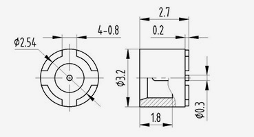
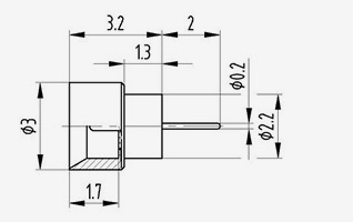
  • SMPM(M)-JYD3S
    SMPM(M)-JYD3S
    Model Poznámky
    SMPM(M)-JYD3S Hladký vývrt
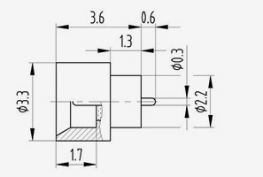
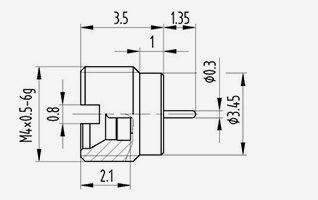
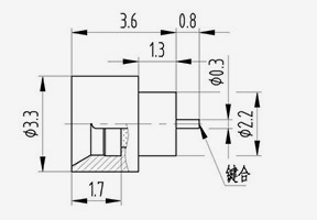
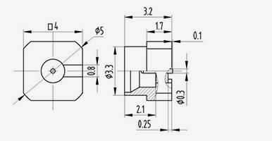
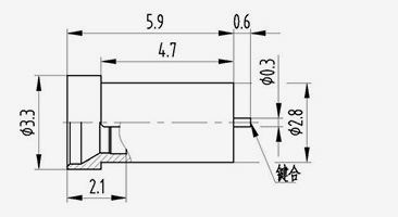
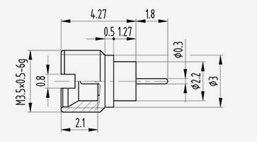
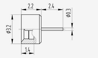
  • SMPM(M)-JYD5S
    SMPM(M)-JYD5S
    Model Poznámky
    SMPM(M)-JYD5S Hladký vývrt
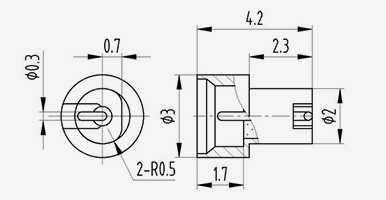
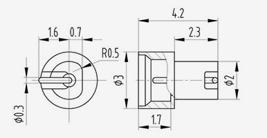
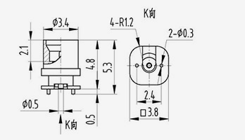
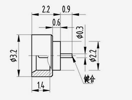
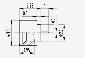
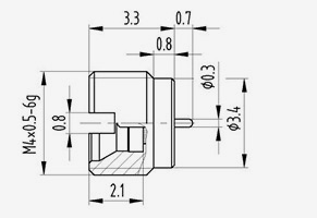
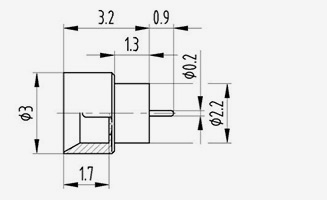
  • SMPM(M)-JYD8F
    SMPM(M)-JYD8F
    Model Poznámky
    SMPM(M)-JYD8F Plná aretace
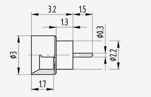
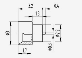
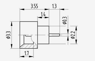
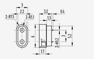
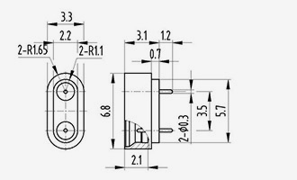
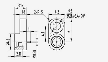
  • SMPM(M)-JYD10F
    SMPM(M)-JYD10F
    Model Poznámky
    SMPM(M)-JYD10F Plná aretace
  • SMPM(M)-JYD12S
    SMPM(M)-JYD12S
    Model Poznámky
    SMPM(M)-JYD12S Hladký vývrt
  • SMPM(M)-JYD13F
    SMPM(M)-JYD13F
    Model Poznámky
    SMPM(M)-JYD13F Úplná detent
  • SMPM(M)-JYD14F
    SMPM(M)-JYD14F
    Model Poznámky
    SMPM(M)-JYD14F Plná aretace
  • SMPM(M)-JYD15F
    SMPM(M)-JYD15F
    Model Poznámky
    SMPM(M)-JYD15F Plná aretace
  • SMPM(M)-JYD16S
    SMPM(M)-JYD16S
    Model Poznámky
    SMPM(M)-JYD16S Hladký vývrt
  • SMPM(M)-JYD17S
    SMPM(M)-JYD17S
    Model Poznámky
    SMPM(M)-JYD17S Hladký vývrt
  • SMPM(M)-JYD18S
    SMPM(M)-JYD18S
    Model Poznámky
    SMPM(M)-JYD18S Hladký vývrt
  • SMPM(M)-JYD19S
    SMPM(M)-JYD19S
    Model Poznámky
    SMPM(M)-JYD19S Hladký vývrt
  • SMPM(M)-JYD20F
    SMPM(M)-JYD20F
    Model Poznámky
    SMPM(M)-JYD20F Plná aretace
  • SMPM(M)-JYD21S
    SMPM(M)-JYD21S
    Model Poznámky
    SMPM(M)-JYD21S Hladký vývrt
  • SMPM(M)-JYD22F
    SMPM(M)-JYD22F
    Model Poznámky
    SMPM(M)-JYD22F Úplná detent
  • SMPM(M)-JYD23S
    SMPM(M)-JYD23S
    Model Poznámky
    SMPM(M)-JYD23S Hladký vývrt
  • SMPM(M)-JYD24F
    SMPM(M)-JYD24F
    Model Poznámky
    SMPM(M)-JYD24F Úplná detent
  • SMPM(M)-JYD25F
    SMPM(M)-JYD25F
    Model Poznámky
    SMPM(M)-JYD25F Plná aretace
  • SMPM(M)-JYD26F
    SMPM(M)-JYD26F
    Model Poznámky
    SMPM(M)-JYD26F Plná aretace
  • SMPM(M)-JYD27S
    SMPM(M)-JYD27S
    Model Poznámky
    SMPM(M)-JYD27S Hladký vývrt
  • SMPM(M)-JYD28S
    SMPM(M)-JYD28S
    Model Poznámky
    SMPM(M)-JYD28S Hladký vývrt
  • SMPM(M)-JYD29F
    SMPM(M)-JYD29F
    Model Poznámky
    SMPM(M)-JYD29F Úplná detent
  • SMPM(M)-JYD30S
    SMPM(M)-JYD30S
    Model Poznámky
    SMPM(M)-JYD30S Hladký vývrt
  • SMPM(M)-JYD31F
    SMPM(M)-JYD31F
    Model Poznámky
    SMPM(M)-JYD31F Plná aretace
  • SMPM(M)-JYD32F
    SMPM(M)-JYD32F
    Model Poznámky
    SMPM(M)-JYD32F Plná aretace
  • SMPM(M)-JYD33S
    SMPM(M)-JYD33S
    Model Poznámky
    SMPM(M)-JYD33S Hladký vývrt
  • SMPM(M)-JYD34S
    SMPM(M)-JYD34S
    Model Poznámky
    SMPM(M)-JYD34S Hladký vývrt
  • SMPM(M)-JYD35S
    SMPM(M)-JYD35S
    Model Poznámky
    SMPM(M)-JYD35S Hladký vývrt
  • SMPM(M)-JYD36S
    SMPM(M)-JYD36S
    Model Poznámky
    SMPM(M)-JYD36S Hladký vývrt
  • SMPM(M)-JYD37S
    SMPM(M)-JYD37S
    Model Poznámky
    SMPM(M)-JYD37S Hladký vývrt
  • SMPM(M)-JYD38S
    SMPM(M)-JYD38S
    Model Poznámky
    SMPM(M)-JYD38S Hladký vývrt
  • SMPM(M)-JYD39S
    SMPM(M)-JYD39S
    Model Poznámky
    SMPM(M)-JYD39S Hladký vývrt
  • SMPM(M)-JYD41S
    SMPM(M)-JYD41S
    Model Poznámky
    SMPM(M)-JYD41S Hladký vývrt
  • SMPM(M)-JYD42S
    SMPM(M)-JYD42S
    Model Poznámky
    SMPM(M)-JYD42S Hladký vývrt
  • SMPM(M)-JYD43F
    SMPM(M)-JYD43F
    Model Poznámky
    SMPM(M)-JYD43F Plná aretace
  • SMPM(M)-JYD44F
    SMPM(M)-JYD44F
    Model Poznámky
    SMPM(M)-JYD44F Plná aretace
  • SMPM(M)-JYD45S
    SMPM(M)-JYD45S
    Model Poznámky
    SMPM(M)-JYD45S Hladký vývrt
  • SMPM(M)-JYD46S
    SMPM(M)-JYD46S
    Model Poznámky
    SMPM(M)-JYD46S Hladký vývrt
  • SMPM(M)-JYD60F
    SMPM(M)-JYD60F
    Model Poznámky
    SMPM(M)-JYD60F Plná aretace
  • SMPM(M)-JYD61F
    SMPM(M)-JYD61F
    Model Poznámky
    SMPM(M)-JYD61F Plná aretace
  • SMPM(M)-JYD62F
    SMPM(M)-JYD62F
    Model Poznámky
    SMPM(M)-JYD62F Plná aretace
  • SMPM(M)-JYD63S
    SMPM(M)-JYD63S
    Model Poznámky
    SMPM(M)-JYD63S Hladký vývrt
  • SMPM(M)-JYD64S
    SMPM(M)-JYD64S
    Model Poznámky
    SMPM(M)-JYD64S Hladký vývrt
  • SMPM(M)-JYD65S
    SMPM(M)-JYD65S
    Model Poznámky
    SMPM(M)-JYD65S Hladký vývrt
  • SMPM(M)-JYD66S
    SMPM(M)-JYD66S
    Model Poznámky
    SMPM(M)-JYD66S Hladký vývrt
  • SMPM(M)-JHD1S
    SMPM(M)-JHD1S
    Model Poznámky
    SMPM(M)-JHD1S Hladký vývrt
  • SMPM(M)-JHD2F
    SMPM(M)-JHD2F
    Model Poznámky
    SMPM(M)-JHD2F Plná aretace
  • SMPM(M)-JHD3F
    SMPM(M)-JHD3F
    Model Poznámky
    SMPM(M)-JHD3F Plná aretace
  • SMPM(M)-JHD4F
    SMPM(M)-JHD4F
    Model Poznámky
    SMPM(M)-JHD4F Plná aretace
  • SMPM(M)-JHD6F
    SMPM(M)-JHD6F
    Model Poznámky
    SMPM(M)-JHD6F Úplná detent
  • SMPM(M)-JHD21F
    SMPM(M)-JHD21F
    Model Poznámky
    SMPM(M)-JHD21F Úplná detent
  • SMPM(M)-JFD1S
    SMPM(M)-JFD1S
    Model Poznámky
    SMPM(M)-JFD1S Hladký vývrt
  • SMPM(M)-JWSD1S
    SMPM(M)-JWSD1S
    Model Poznámky
    SMPM(M)-JWSD1S Hladký vývrt
  • SMPM(M)-JWSD8
    SMPM(M)-JWSD8
    Model Poznámky
    SMPM(M)-JWSD8
  • SMPM(M)-JWSD9S
    SMPM(M)-JWSD9S
    Model Poznámky
    SMPM(M)-JWSD9S Hladký vývrt
  • SMPM(M)-JWSD10S
    SMPM(M)-JWSD10S
    Model Poznámky
    SMPM(M)-JWSD10S Hladký vývrt
  • SMPM(M)-JSD1S
    SMPM(M)-JSD1S
    Model Poznámky
    SMPM(M)-JSD1S Hladký vývrt

BUĎTE V KONTAKTU

[#vstup#]
ODESLAT
O nás
Ningbo Hanson Communication Technology Co., Ltd.
Ningbo Hanson Communication Technology Co., Ltd.
Ningbo Hanson Communication Technology Co., Ltd. is China Hermeticky uzavřený konektor SMPM Supplier and Custom Hermeticky uzavřený konektor SMPM Company. We are a manufacturer specializing in the production, processing, and trade of communication components, with more than 30 years of experience in RF coaxial connectors, adapters, and cable assemblies. Společnost nyní vybudovala vlastní obráběcí dílnu, galvanizační dílnu, montážní dílnu a skupinu stabilních a spolehlivých dodavatelů. Cílem společnosti je poskytovat zákazníkům vysoce kvalitní produkty. Hlavní produkty jsou RF koaxiální konektory, adaptéry, vysokofrekvenční kabelové sestavy a kabelové sestavy s nízkou intermodulací. Kromě toho může společnost také poskytovat služby zákazníkům s přizpůsobenými potřebami, aby splnila speciální požadavky zákazníků na produkty. Produkty společnosti jsou široce používány v letectví, komunikačních základnových stanicích, lékařském vybavení a dalších high-tech oblastech. V době podnikové reformy, inovací, rozvoje a růstu se společnost ujala iniciativy a připojila se k mezinárodnímu systému řízení kvality ISO9001 a neustále zlepšovala úroveň řízení, aby mohla novým i starým zákazníkům poskytovat uspokojivější produkty a služby.
Nejnovější zprávy
Hledáte obchodní příležitost?

Žádost o zavolání ještě dnes