OEM N type RF Coaxial Connector Supplier

Ningbo Hanson Communication Technology Co., Ltd. Domov / Produkty / RF koaxiální konektor / RF koaxiální konektor typu N

RF koaxiální konektor typu N

Popis:

RF koaxiální konektor řady N je RF koaxiální konektor se závitovým spojovacím mechanismem vyvinutým a vyrobeným v souladu s americkým vojenským standardem MIL-C-39012. Má vlastnosti široké šířky pásma, dobrou odolnost proti nárazům, vysokou spolehlivost a vynikající výkon a je široce používán v mikrovlnných komunikačních a měřicích systémech. Charakteristická impedance RF koaxiálního konektoru řady N vyráběného naší továrnou je rozdělena do dvou typů: 50Ω a 75Ω.

Parametr:

Hlavní technické specifikace:
◆ Charakteristická impedance: 50Ω/75Ω
◆ Frekvenční rozsah: DC-18GHz (50Ω)/DC-3GHz (75Ω)
◆ Izolační odpor: ≥5000MΩ
◆ Dielektrické výdržné napětí: 1500V (rms)
◆ Poměr stojatých vln napětí (VSWR): ≤1,30
◆ Párovací cykly: 500 krát

Zeptejte se

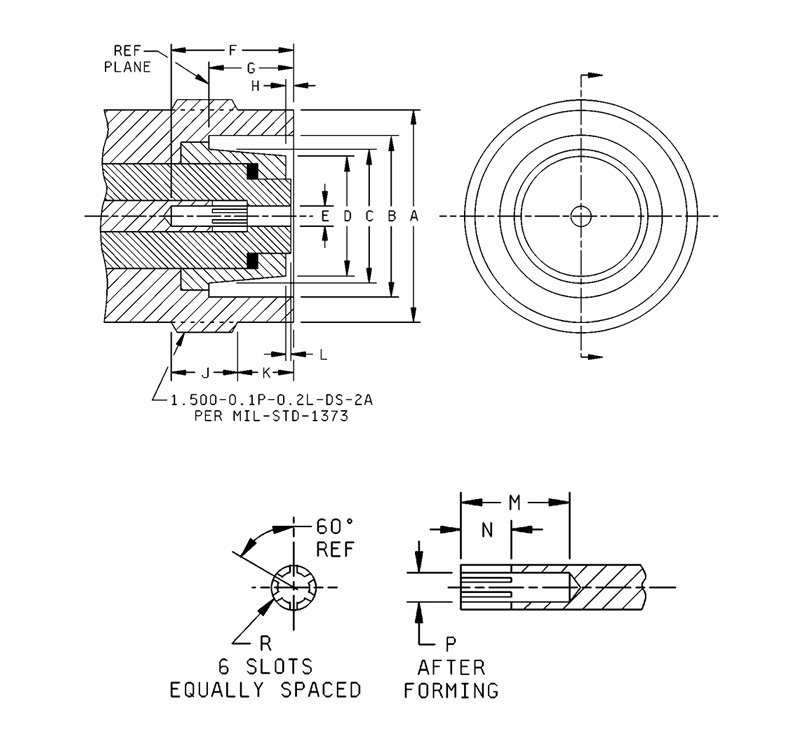
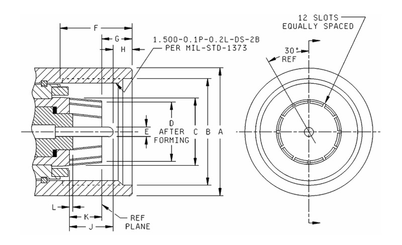
Ztlumit
Ltr
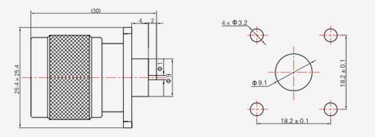
Palce (mm)
Min. Max.
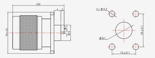
A 0,336 (8,53) 0,344 (8,74)
B 0,316 (8,03) 0,320 (8,13)
C 0,356 (9,04) 0,362 (9,19)
D 0,187 (4,75) 0,207 (5,26)
E ------- 0,627 (15,93)
F 0,119 (3,02) 0,124 (3,15)
G 0,422 (10,72) -------
H 0,172 (4,37) 0,220 (5,59)
J 0,047 (1,19) 0,077 (1,96)
K 0,047 (1,19) 0,077 (1,96)
L 0,187 (4,75) 0,207 (5,26)
N 0,210 (5,33) -------

Poznámky:
1. Toto rozhraní musí splňovat požadavky na obrys, jak je uvedeno v
MIL-PRF-39o12/2.
2. Vůle pro spojovací matici protilehlého konektoru.
3. Pro splnění VSwR, spojovacích charakteristik, přechodového odporu a
odolnost konektoru při spojení s kolíkem o průměru a.063/.066.

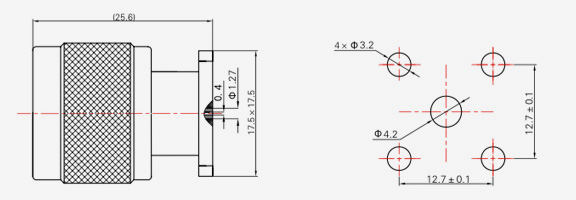
Ztlumit
Ltr
Palce (mm)
Min. Max.
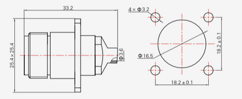
A 1,740 (44,20) 1,760 (44,70)
B 1,537 (39,04) 1,543 (39,19)
C 1,060 (26,92) 1,064 (27,03)
D 0,964 (24,49) 0,974 (24,74)
E 0,194 (4,93) 0,196 (4,98)
F 0,836 (21,23) 0,856 (21,74)
G 0,372 (9,45) 0,392 (9,96)
H 0,271 (6,88) 0,291 (7,39)
J 551 (14,00) 0,571 (14,50)
K 0,370 (9,40) 0,380 (9,65)
L 0,001 (0,03) 0,013 (0,33)

Poznámky:
1. Toto rozhraní musí splňovat požadavky na obrys, jak je uvedeno v MIL-PRF-39012/44.

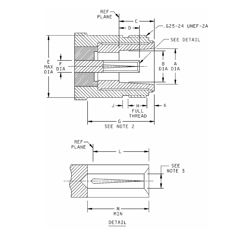
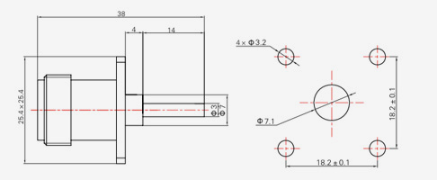
Ztlumit
Ltr
Palce (mm)
Min. Max.
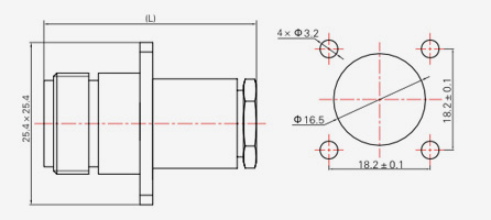
A 1,404 (35,66) 1,408 (35,76)
B 1 100 (27,94) 1,120 (28,45)
C 1,998 (50,75) 1,002 (25,45)
D 936 (23,77) 0,940 (23,88)
E 0,191 (4,85) 0,195 (4,95)
F 0,763 (19,38) 0,783 (19,89)
G 0,465 (11,81) 0,485 (12,32)
H 0,062 (1,57) Reference
J 0,302 (7,67) 0,322 (8,18)
K 0,302 (7,67) 0,322 (8,18)
L 0,001 (0,03) 0,013 (0,33)
M 0,490 (12,45) 0,510 (12,95)
N 0,240 (6,10) 260 (6,60)
P 0,187 (4,75) 0,189 (4,80)
R 0,014 (0,36) 0,018 (0,46)

Poznámky:
1. Toto rozhraní musí splňovat požadavky na obrys, jak je uvedeno v MIL-PRF-39012/45.

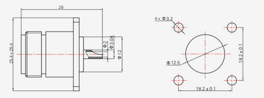
N SERIES
  • N-JB2
    N-JB2
    Model Typ kabelu d
    N-JB2 SFT-50-2,670-086 Φ2.2
    N-JB3 SFT-50-3,670-141 Ф3,6 $ $
  • N-JB3-1
    N-JB3-1
    Model Typ kabelu L
    N-JB3-1 SFT-50-3,670-141 17.6
    N-JB3A-1 SFT-50-3,670-141 16.5
  • N-KB3
    N-KB3
    Model Typ kabelu
    N-KB3 SFT-50-3,670-141
  • N-KFB3
    N-KFB3
    Model Typ kabelu
    N-KFB3 SFT-50-3,670-141
  • N-KYB3
    N-KYB3
    Model Typ kabelu
    N-KYB3 SFT-50-3,670-141
  • N-J3
    N-J3
    Model Typ kabelu
    N-J3 SYV-50-2-1,RG316
    N-J4 SYV-50-2-2
  • N-J5
    N-J5
    Model Typ kabelu L
    N-J5 SYV-50-3,RG142, SFCJ-50-3-51 33
    N-J5C SYV-50-3,RG142, SFCJ-50-3-51 33
    N-J7 SYV-50-5-1, SFCJ-50-5-51 36
    N-J10 SYV-50-7-1, SYV-50-7-2,SFCJ-50-7-51 36
  • N-J5.3
    N-J5.3
    Model Typ kabelu
    N-J5.3 32 055 205, GNB 415 $ $
  • N-J311
    N-J311
    Model Typ kabelu
    N-J311 FFB311A
  • N-J10-1
    N-J10-1
    Model Typ kabelu
    N-J10-1 SFCJ-50-7-51
  • N-JW5
    N-JW5
    Model Typ kabelu
    N-JW5 SFCJ-50-3-51,SYV-50-3-4,RG142
    N-JW7 SFCJ-50-5-51,SYV-50-5-1
    N-JW10 SFCJ-50-7-51,SYV-50-7-2
  • N-JW8A
    N-JW8A
    Model Typ kabelu
    N-JW8A FFB311A,SYV-50-5
    N-JW12A SYV-75-3
    N-JW13A SYV-75-5
  • N-K3
    N-K3
    Model Typ kabelu
    N-K3 SYV-50-2-1,RG316
  • N-K5
    N-K5
    Model Typ kabelu L
    N-K5 SYV-50-3,RG142, SFCJ-50-3-51 36
    N-K7 SYV-50-5-1,SFCJ-50-5-51 38
    N-K10 SYV-50-7-1,SFCJ-50-7-51 38
  • N-KF5
    N-KF5
    Model Typ kabelu L
    N-KF5 SYV-50-3,RG142,SFCJ-50-3-51 36
    N-KF7 SYV-50-5-1,SFCJ-50-5-51 38
    N-KF10 SYV-50-7-1,SFCJ-50-7-51 38
  • N-KF3A
    N-KF3A
    Model Typ kabelu L
    N-KF3A SYV-50-2-1,RG316 33
    N-KF5A SYV-50-3-4,RG142 42
  • N-KY3Y
    N-KY3Y
    Model Typ kabelu
    N-KY3Y SYV-50-2-1,RG316
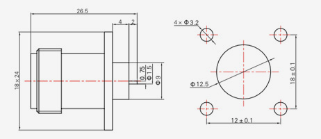
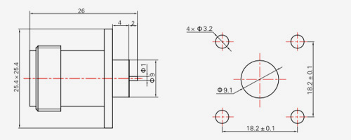
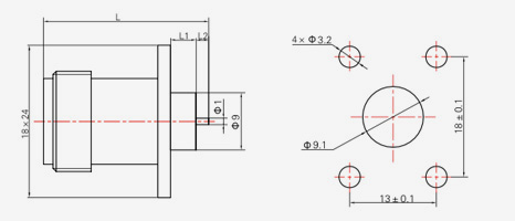
  • N-KFD
    N-KFD
    Model L L1 L2
    KFD 26 4 2
    KFD2 31 6 5
    KFD15 30 6 4
    KFD16 28.5 6 2.5
    KFD17 28 6 2
    KFD18 29 5 4
    KFD19 29 4 5
    KFD 20 $ $ 33 4 9
  • N-KF
    N-KF
  • N-JFD1
    N-JFD1
  • N-JFD2
    N-JFD2
  • N-JFD3
    N-JFD3
  • N-JFD23
    N-JFD23
  • N-KFD1
    N-KFD1
  • N-KFD7
    N-KFD7
  • N-KFD11
    N-KFD11
  • N-KFD50
    N-KFD50
  • N-KFD-Z
    N-KFD-Z
  • N-KFD9
    N-KFD9
  • N-KFD14
    N-KFD14

BUĎTE V KONTAKTU

[#vstup#]
ODESLAT
O nás
Ningbo Hanson Communication Technology Co., Ltd.
Ningbo Hanson Communication Technology Co., Ltd.
Ningbo Hanson Communication Technology Co., Ltd. is China N type RF Coaxial Connector Supplier and Custom N type RF Coaxial Connector Company. We are a manufacturer specializing in the production, processing, and trade of communication components, with more than 30 years of experience in RF coaxial connectors, adapters, and cable assemblies. Společnost nyní vybudovala vlastní obráběcí dílnu, galvanizační dílnu, montážní dílnu a skupinu stabilních a spolehlivých dodavatelů. Cílem společnosti je poskytovat zákazníkům vysoce kvalitní produkty. Hlavní produkty jsou RF koaxiální konektory, adaptéry, vysokofrekvenční kabelové sestavy a kabelové sestavy s nízkou intermodulací. Kromě toho může společnost také poskytovat služby zákazníkům s přizpůsobenými potřebami, aby splnila speciální požadavky zákazníků na produkty. Produkty společnosti jsou široce používány v letectví, komunikačních základnových stanicích, lékařském vybavení a dalších high-tech oblastech. V době podnikové reformy, inovací, rozvoje a růstu se společnost ujala iniciativy a připojila se k mezinárodnímu systému řízení kvality ISO9001 a neustále zlepšovala úroveň řízení, aby mohla novým i starým zákazníkům poskytovat uspokojivější produkty a služby.
Nejnovější zprávy
Hledáte obchodní příležitost?

Žádost o zavolání ještě dnes