OEM TNC konektor Supplier

TNC konektor

Popis:

RF koaxiální konektory řady TNC jsou vyvinuty a vyráběny podle amerického vojenského standardu MIL-C-39012. Mají vlastnosti široké šířky pásma, spolehlivé připojení a dobrou odolnost proti nárazům. Jsou vhodné pro konektory a RF kabely pro vstup a výstup signálu rádiových zařízení, elektronických přístrojů, různých laserových komponent.

Parametr:

Hlavní technické specifikace:
◆ Charakteristická impedance: 50Ω
◆ Frekvenční rozsah: DC-18GHz
◆ Izolační odpor: ≥5000MΩ
◆ Dielektrické výdržné napětí: 1500V (rms)
◆ Poměr stojatých vln napětí (VSWR): ≤1,30
◆ Párovací cykly: 500 krát

Zeptejte se

Ztlumit
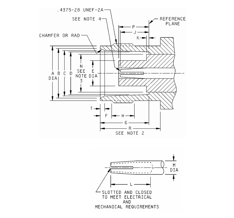
Ltr
Milimetry (palce)
Minimální Maximum
A 0,378 (9,60) 0,381 (9,68)
B 0,346 (8,79) 0,356 (9,04)
C 0,327 (8,31) 0,333 (8,46)
D 0,319 (8,10) 0,321 (8,15)
E ------- 0,186 (4,72)
F 0,068 (1,73) 0,088 (2,24)
G 0,327 (8,31) 0,335 (8,51)
H 0,187 (4,75) -------
J 0,186 (4,72) 0,206 (5,23)
K ------- 0,006 (0,15)
L 0,195 (4,95) -------
M 0,081 (2,06) 0,087 (2,21)
N ------- 0,256 (6,50)
P 0,188 (4,78) 0,208 (5,28)
R 0,414 (10,52) -------
T 0,015 (0,38) 0,030 (0,76)

Poznámky:
1. Toto rozhraní musí splňovat požadavky na obrys, jak je uvedeno v
MIL-PRF-39012/28.
2. Vůle pro spojovací matici protilehlého konektoru.
3. Rozměr platí pro tuto část (pokud je použito) dielektrika
která vyčnívá za kov
rameno (nebo referenční rovina) o rozměr K.
4. ID pro splnění VSwR při spojení s kolíkem o průměru 0,052 palce (1,32 mm)/0,054 (1,37 mm).

Ztlumit
Ltr
Milimetry (palce)
Minimální Maximum
A 0,440 (11,18) -------
B Test měřidla
C 0,190 (4,83) -------
D 0,052 (1,32) 0,054 (1,37)
E 0,210 (5,33) 0,230 (5,84)
F 0,006 (0,15) -------
G 0,208 (5,28) 0,228 (5,79)
H 0,003 (0,08) 0,040 (1,02)
K 0,078 (1,98) -------
M ------- 0,078 (1,98)
N 0,063 (1,60) -------
P 0,156 (3,96) -------
R ------- 0,025 (0,64)
T ------- 0,322 (8,18)

Poznámky:
1. Toto rozhraní musí splňovat požadavky na obrys, jak je uvedeno v MIL-PRF-39012/26.

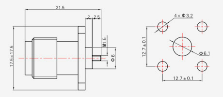
TNC $ $ SERIES
  • TNC-KF3A
    TNC-KF3A
    Model Typ kabelu
    TNC-KF3A SYV-50-2-1,RG316
    TNC-KF5A SYV-50-3,RG142,SFCJ-50-3-51
  • TNC-KF3A-1
    TNC-KF3A-1
    Model Typ kabelu
    TNC-KF3A-1 SYV-50-2-1,RG316
  • TNC-JB2
    TNC-JB2
    Model Typ kabelu d
    TNC-JB2 SFT-50-2,670-086 Φ2.2
    TNC-JB3 SFT-50-3,670-141 Φ3,6 $ $
  • TNC-JWB2
    TNC-JWB2
    Model Typ kabelu d
    TNC-JWB2 SFT-50-2,670-086 Φ2.2
    TNC-JWB3 SFT-50-3,670-141 Φ3,6 $ $
  • TNC-KB2
    TNC-KB2
    Model Typ kabelu d
    TNC-KB2 SFT-50-2,670-086 Φ2.2
    TNC-KB3 SFT-50-3,670-141 Φ3,6 $ $
  • TNC-KFB2
    TNC-KFB2
    Model Typ kabelu d
    TNC-KFB2 SFT-50-2,670-086 Φ2.2
    TNC-KFB3 SFT-50-3,670-141 Φ3,6 $ $
  • TNC-KFB2-1
    TNC-KFB2-1
    Model Typ kabelu d
    TNC-KFB2-1 SFT-50-2,670-086 Φ2.2
    TNC-KFB3-1 SFT-50-3,670-141 Φ3,6 $ $
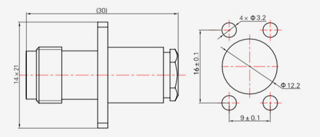
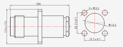
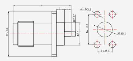
  • TNC-KFD2
    TNC-KFD2
    Model L L1
    KFD2 27 3.5
    KFD 3 $ $ 22 2
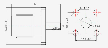
  • TNC-J3A
    TNC-J3A
    Model Typ kabelu
    TNC-J3A SYV-50-2-1,RG316
    TNC-J5A SYV-50-3-4,RG142, SFCJ-50-3-51
    TNC-J5AC
  • TNC-J4
    TNC-J4
    Model Typ kabelu L
    TNC-J4 SYV-50-2-2 31
    TNC-J5 SYV-50-3-4, SFCJ-50-3-51,RG316 31
    TNC-(K)5
    TNC-J5C
    TNC-J7 SYV-50-5-1, SFCJ-50-5-51 36
    TNC-J7C
    TNC-J10 SYV-50-7-1,SYV-50-7-2, SFCJ-50-7-51 36
    TNC-J10C
  • TNC-JW5
    TNC-JW5
    Model Typ kabelu
    TNC-JW5 SYV-50-3-4,SFCJ-50-3-51,RG142
    TNC-JW7 SYV-50-5-1,SFCJ-50-5-51
    TNC-JW10 SYV-50-7-2,SFCJ-50-7-51
  • TNC-JW5-1
    TNC-JW5-1
    Model Typ kabelu
    TNC-JW5-1 SYV-50-3-4,SFCJ-50-3-51,RG142
  • TNC-K5
    TNC-K5
    Model Typ kabelu L
    TNC-K5 SYV-50-3-4, SFCJ-50-3-51,RG142 31
    TNC-(J)5
    TNC-K7 SYV-50-5-1, SFCJ-50-5-51 33
    TNC-K10 SYV-50-7-1, SYV-50-7-2,SFCJ-50-7-51 33
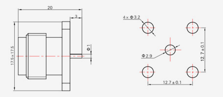
  • TNC-KFD1
    TNC-KFD1
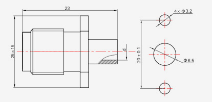
  • TNC-KFD4
    TNC-KFD4

BUĎTE V KONTAKTU

[#vstup#]
ODESLAT
O nás
Ningbo Hanson Communication Technology Co., Ltd.
Ningbo Hanson Communication Technology Co., Ltd.
Ningbo Hanson Communication Technology Co., Ltd. is China TNC konektor Supplier and Custom TNC konektor Company. We are a manufacturer specializing in the production, processing, and trade of communication components, with more than 30 years of experience in RF coaxial connectors, adapters, and cable assemblies. Společnost nyní vybudovala vlastní obráběcí dílnu, galvanizační dílnu, montážní dílnu a skupinu stabilních a spolehlivých dodavatelů. Cílem společnosti je poskytovat zákazníkům vysoce kvalitní produkty. Hlavní produkty jsou RF koaxiální konektory, adaptéry, vysokofrekvenční kabelové sestavy a kabelové sestavy s nízkou intermodulací. Kromě toho může společnost také poskytovat služby zákazníkům s přizpůsobenými potřebami, aby splnila speciální požadavky zákazníků na produkty. Produkty společnosti jsou široce používány v letectví, komunikačních základnových stanicích, lékařském vybavení a dalších high-tech oblastech. V době podnikové reformy, inovací, rozvoje a růstu se společnost ujala iniciativy a připojila se k mezinárodnímu systému řízení kvality ISO9001 a neustále zlepšovala úroveň řízení, aby mohla novým i starým zákazníkům poskytovat uspokojivější produkty a služby.
Nejnovější zprávy
Hledáte obchodní příležitost?

Žádost o zavolání ještě dnes